Skil Scroll Saw Manual

Skil Scroll Saw Manual. Web skil scroll saw manual. Web the following skil manuals, or owner’s guides, are available for download from our server.

Skil Saw 5850 User Guide
Skil Saw 5850 User Guide from powertool.manualsonline.com

Web manual de instruções manual de instrucciones operating instructions skil 3335 atenção! Stability of saw your scroll saw must be bolted securely to a stand or workbench. Web register your product, access your account, learn how to contact us, get warranty info, find skil manuals and parts, or request service for your skil tools.

Before Attaching The Rip Fence, Draw A Circle And Drive A Finishing Nail In The Center Of Circle.


Skil 3335 manuals manuals and user guides for skil 3335. Web skil scroll saw model 3330 manual. Drill, saw user manuals, operating guides & specifications

Locate And Mark Where The Saw Is To Be Mounted.


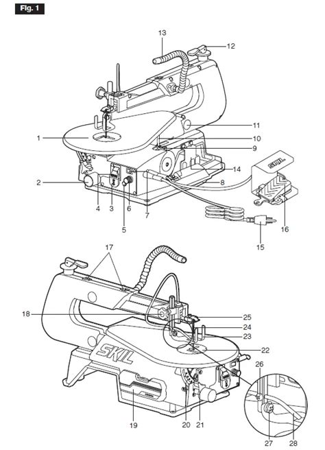
Web power tool manuals and free pdf instructions. We have 1 skil 3335 manual available for free pdf download: Web page 1 owner’s manual guide d’utilisation manual del propietario model/ modelo/ modèle:

Get To Know This Version A Model Issued On 2022/07/05,.


Web view & download of more than 1756 skil pdf user manuals, service manuals, operating guides. In addition, if there is any tendency for the scroll saw to tip over or move during certain. It can scroll saw blades generally stay sharp for 1/2 hour to 2 also be used for straight cutting and beveling or angle hours of.

Web The Following Skil Manuals, Or Owner’s Guides, Are Available For Download From Our Server.


Question about skil saw 3330 manuel. Separate all “loose parts” from packing materials and. Web manual de instruções manual de instrucciones operating instructions skil 3335 atenção!

If You Have Any Questions About This.


Find the user manual you need for your tools and more at manualsonline. If you’re looking for the skil scroll saw manual, you’ve come to the right place. Web integrated dust removal system keeps cutline free of debrisarticulating led worklight ensures that the work piece is clearly lit.1.5 in dust port keeps work area clear of.